电磁炉电路图讲解视频,揭秘电磁炉工作原理与电路构造
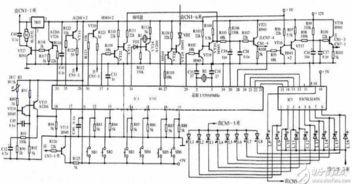
你有没有想过,家里的电磁炉是怎么工作的呢?是不是每次看到那复杂的电路图,就头都大了?别急,今天我就来给你详细讲解一下电磁炉的电路图,让你轻松看懂这个神奇的厨房小...
你有没有想过,家里的电磁炉是怎么工作的呢?是不是每次看到那复杂的电路图,就头都大了?别急,今天我就来给你详细讲解一下电磁炉的电路图,让你轻松看懂这个神奇的厨房小...
亲爱的同学们,你是否在为八年级上册的数学难题而头疼?别担心,今天我要给你带来一份特别的礼物——八年级上册数学讲解视频!这些视频可是经过精心挑选,由专业老师讲解,...
最近是不是也被视频面试刷屏了?没错,随着互联网的飞速发展,远程工作越来越流行,视频面试也成了职场新宠。今天,就让我带你全方位了解一下这些神奇的“视频面试工具”,...
你是不是也有过这样的烦恼:电脑里存了那么多精彩视频,可就是想分享给iPhone上的好友,却不知道怎么操作?别急,今天就来手把手教你,如何轻松将电脑视频传到iPh...
你听说了吗?最近网上流传着一些女子叫床视频,引发了不小的争议。这事儿可真是让人好奇又尴尬,咱们一起来聊聊这个话题吧!一、事件背景据不完全统计,这些视频大多来源于...
最近我发现了一个超级实用的轮胎换胎视频,简直就像有个轮胎换胎大师在旁边手把手教你一样!你是不是也经常为换胎这件事头疼呢?别急,今天我就来给你详细介绍一下这个视频...
你有没有想过,如果有一天,你能穿越时空,亲眼看看朝鲜的风土人情,那会是怎样的体验呢?别急,今天我就带你来一场虚拟的朝鲜之旅,通过那些精彩纷呈的旅游视频,让你足不...
你有没有想过,在家养几条漂亮的观赏鱼,不仅能给你的生活增添一抹亮色,还能让你在忙碌的生活中找到一份宁静和乐趣呢?没错,就是那种在水族箱里游来游去的可爱小家伙们。...
你有没有发现,最近在使用iOS 11的系统时,突然发现了一个让人有点摸不着头脑的小问题——怎么没有视频功能了呢?别急,让我来带你一探究竟,揭开这个神秘的面纱。一...
亲爱的读者,你是否曾在某个夜晚,被那些精彩纷呈的美元视频所吸引?那些在屏幕上跳跃的身影,那些让人捧腹大笑的桥段,那些让人热血沸腾的瞬间,都让人忍不住想要一探究竟...
最新留言