你有没有想过,家里的电磁炉是怎么工作的呢?是不是每次看到那复杂的电路图,就头都大了?别急,今天我就来给你详细讲解一下电磁炉的电路图,让你轻松看懂这个神奇的厨房小助手!

首先,得先了解一下电磁炉的工作原理。电磁炉是通过电磁感应原理来加热锅具的。简单来说,就是通过电路产生交变电流,在锅具底部产生涡流,从而加热锅具。

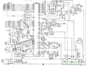
接下来,我们来看看电磁炉电路图的基本组成。一般来说,它包括以下几个部分:
1. 电源部分:这是电磁炉电路的起点,负责将220V的交流电转换为适合电路使用的电压。
2. 控制部分:这部分包括开关、定时器、温度控制器等,负责控制电磁炉的开关、加热时间和温度。
3. 主电路部分:这是电磁炉的核心部分,包括变压器、振荡器、功率管等,负责产生交变电流。
4. 保护电路部分:这部分包括过流保护、过压保护、短路保护等,负责保护电磁炉在异常情况下不受到损害。

为了让你更直观地了解电磁炉电路图,这里推荐几个讲解视频,让你在家就能轻松学习:
1. 《电磁炉电路图详解》:这个视频详细讲解了电磁炉电路图的各个部分,以及它们的工作原理。
2. 《电磁炉电路图绘制与识读》:这个视频不仅讲解了电路图,还介绍了如何绘制和识读电路图。
3. 《电磁炉电路图故障排查》:这个视频教你如何通过电路图排查电磁炉的故障。
学习电路图,掌握以下技巧会事半功倍:
1. 熟悉基本元件:了解电路图中常见的元件,如电阻、电容、二极管、三极管等。
2. 掌握电路原理:了解电路的工作原理,才能更好地理解电路图。
3. 多看多练:通过观看讲解视频、阅读相关书籍,不断积累经验。
通过本文的讲解,相信你已经对电磁炉电路图有了更深入的了解。记住,学习电路图不是一蹴而就的,需要不断地学习和实践。希望你在掌握了电磁炉电路图的基础上,能够更好地维护和修理你的厨房小助手——电磁炉!